MK体育网页版登录入口

在线留言 收藏本站 网站地图欢迎进入MK体育·「中国」官方网站 - MK SPORTS 网站!

MK体育·「中国」官方网站 - MK  SPORTS

20年专注流体测控设备,畅销全球近160个国家稳定性好、库存充足、支持定制

服务热线:17530107806

MK体育·「中国」官方网站 - MK  SPORTS
MK体育网页版登录入口

号外!号外!MK体育·「中国」官方网站 - MK SPORTS 科技园二期建设开工啦!

头条
开封市政府刘副市长和祥符区王区长一行莅临青天伟业,公司总经理张盛海,外贸部经理胡洋,财务总监田永新陪同分别在电磁事业部,气体事业部及MK体育·「中国」官方网站 - MK SPORTS 科技园二期现场参观!......
电磁流量计传感器测量的传统方法是什么?

电磁流量计传感器测量的传统方法是什么?

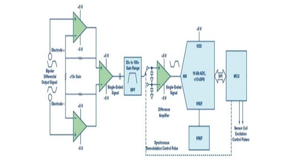
电磁流量计传感器测量的传统方法大致上是模拟式—具有高输入阻抗和高输入共模抑制性能的前置放大器用来应对传感器漏电流效应,然后是三阶或四阶模拟带通滤波器和采样保持级,最后是模数转换。典型模拟前端方法如下图…
电磁流量计的传感器输出范围是多少?

电磁流量计的传感器输出范围是多少?

电磁流量计的传感器提供差分输出。其灵敏度典型值为150μv/(m)至200μv/(m)。由于激励电流的方向不断交替,因而传感器输出信号幅度会加倍。对于0.5米/秒至15米/秒的流速测量范围,传感器输出…
电磁流量计的工作原理是什么?

电磁流量计的工作原理是什么?

随着全球人口增长,人类消耗着大量的水,用水量会越来越大。流量计至关重要,既能监测生活废水,也是污水处理厂过程控制系统不可或缺的一部分。流量计还被用于许多工业控制过程,包括化学/制药、食品饮料、纸浆造纸…
电磁流量计为什么非常适合液体流量测量?

电磁流量计为什么非常适合液体流量测量?

“若不能度量,则无法管理。”这是工业领域的一句口头禅,尤其适合于流量测量。简单说来,对流量监测的需求越来越多,常常还要求更高速度和精度的监测。对于液体流量测量,电磁流量计技术有多种优势。它的传感器一般…
热式气体质量流量计的基本测量原理(图)

热式气体质量流量计的基本测量原理(图)

如图所示,该流量计的探头由速度探头和温度探头(测量管道中的气体温度)组成。并且二者分别与两个常规电阻R1与R2构成图中所示的电桥。当管道中有气体以速度ν流过时,假设此气体的密度为P,加热探头被带走的热…

MK体育·「中国」官方网站 - MK SPORTS 新闻资讯

咨询热线

17530107806